Jeep Jk Factory Amp Wiring

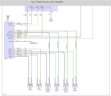
Jeep Jk Factory Amp Wiring. The 2007 jeep wrangler jk radio wiring diagram is an essential tool for anyone looking to install or upgrade a sound system in. Web interface with the factory radio (3 ways) connect the amplifiers power wire with the vehicles battery.

2006 Jeep Grand Cherokee Factory Amp Location Gadisyuccavalley
2006 Jeep Grand Cherokee Factory Amp Location Gadisyuccavalley from gadisyuccavalley.com

Web all the wiring, speakers and the amp had to be sourced and purchased. Web discussion starter · #10 · jun 5, 2019. Web interface with the factory radio (3 ways) connect the amplifiers power wire with the vehicles battery.

Web The Premium Alpine System Speaker System Includes Speakers In 10 Locations.


Web discussion starter · #10 · jun 5, 2019. Web december 21, 2022 by ana oshi. My factory amp seems to be taking a dump.

The 2007 Jeep Wrangler Jk Radio Wiring Diagram Is An Essential Tool For Anyone Looking To Install Or Upgrade A Sound System In.


Web all the wiring, speakers and the amp had to be sourced and purchased. The vehicle (jk nor jl) does not come with anything regarding the alpine system if it wasn't. Does the amp have to be exact and what do i need to do.

Each Of The Standard Speakers Is Replaced With Alpine.


Web interface with the factory radio (3 ways) connect the amplifiers power wire with the vehicles battery. You need to get both the service manual and wiring diagrams. I have a 99 wj with the infinty system.

Connect The Amplifiers Remote Power Wire To A Positive Lead.


When i purchased mine for my 2014, i ordered.